產品介紹
咨詢服務熱線:13957717877
產品概述
資料下載
相關產品
相關資訊


為什么選擇GP2-VA自復式過欠壓保護器? |
在電網波動頻繁、用電負荷復雜的現代環境中,電壓不穩定或電流異常易導致電器 設備損壞甚至引發安全事故。GP2-VA保護器具備高精度測量、多段可調參數和自恢復功 能,可有效提升用電系統的安全性和可靠性,降低維護成本,適用于各類對電源質量有 較高要求的場合。 |
GP2-VA自復式過欠壓保護器產品優勢: |
1、多重保護機制:同時具備過壓、欠壓和過流保護功能,防護用電設備; |
2、高精度監測:電壓測量誤差不超過總范圍的2%,響應準確可靠; |
3、參數靈活可調:支持電流設定(1–63A)、跳閘延時(0.1–30s)和復位延時(1– 500s)等多種參數自定義; |
4、自復式設計:電網恢復正常后自動復位,無需人工干預,減少運維壓力; |
5、長壽命與高可靠性:電壽命達10萬次,機械壽命達100萬次,適用于高頻率使用場 景。 |
GP2-VA自復式過欠壓保護器產品特點: |
1、采用高精度電壓檢測電路,實時監控電網狀態,響應迅速; |
2、支持過流保護設定,可根據實際負載需求靈活調整動作閾值; |
3、提供寬范圍的延時設置功能,有效避免因瞬時波動導致的誤動作; |
4、緊湊結構設計,IP20防護等級,適配標準導軌安裝,便于集成于各類配電箱/柜; |
5、單路常開(1NO)輸出觸點,兼容性強,可廣泛應用于多種控制電路中。 |
GP2-VA自復式過欠壓保護器產品應用: |
GP2-VA自復式過欠壓保護器適用于多種低壓配電及用電保護場景,包括但不限于: |
1、住宅、商鋪、辦公室等民用建筑的入戶電源保護; |
2、空調、冰箱、電機、照明系統等設備的電壓波動防護; |
3、工業控制系統、自動化設備、通信基站等對供電質量敏感的應用場合; |
4、臨時用電場所、老舊小區電網改造等電壓穩定性較差的環境。 |
該產品能夠提升用電安全等級,延長設備使用壽命,是構建可靠用電系統的優選組 件之一。 |

GP2-VA自復式過欠壓保護器功能設置: |
|
默認參數: |
技術參數 | 設定范圍 | 步長值 | 出廠設置 |
通電延遲時間 | 1~500S | 1S | 10S |
過電壓保護值 | 230~300V | 1V | 270V |
過電壓恢復值 | 225~295V | 1V | 265V |
過電壓恢復延遲時間 | 1~500S | 1S | 30S |
過電壓保護動作時間 | 0.1~30S | 0.1S | 1S |
欠壓保護值 | 210~140V | 1V | 170V |
欠壓恢復值 | 215~145V | 1V | 175V |
欠壓恢復延遲時間 | 1~500S | 1S | 30S |
欠壓保護動作時間 | 0.1~30S | 0.1S | 1S |
過電流保護值 | 1~40/63A | 0.1A | 40/63A |
恢復延遲時間過長 | 1~500S | 1S | 30S |
電壓校準 | -9.5~9.5% | 0.5% | 0% |
電流校準 | -9.5~9.5% | 0.5% | 0% |
連續過電流保護 | 1-20/OFF | 1 | OFF |
電流校準 | 9.5~9.5% | 0.5% | 0% |

GP2-VA自復式過欠壓保護器產品接線: |
|
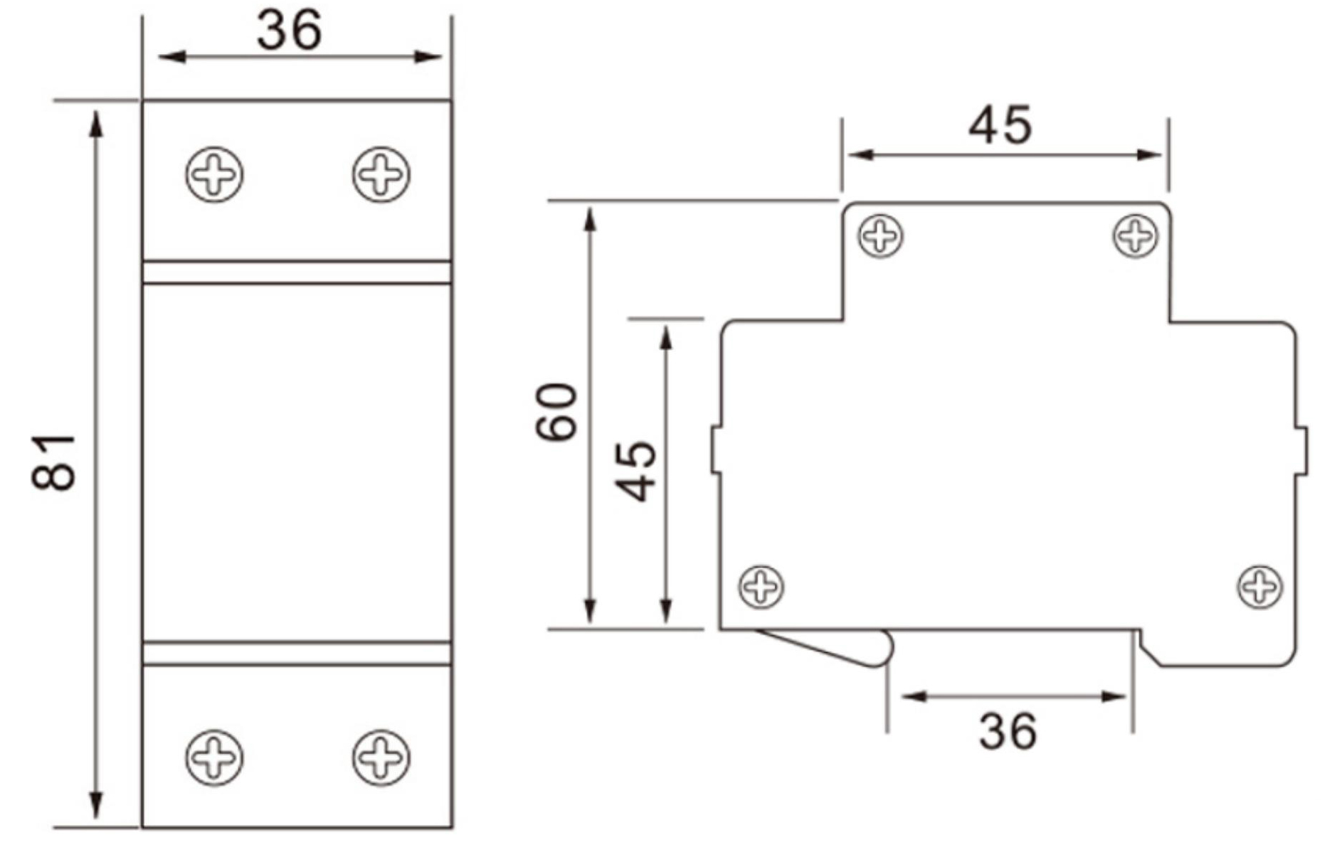
GP2-VA自復式過欠壓保護器產品尺寸: |
|
GP2-VA自復式過欠壓保護器技術參數: |
額定電源電壓 | AC 220V |
工作電壓范圍 | AC 80V~400V(單相) |
額定頻率 | 50/60Hz |
欠壓(>U)設置范圍 | 210~140V |
過壓(>U)設置范圍 | 230~300V |
電流(>A)設置范圍 | 1~40/63A |
額定電流 | 40/63A(以產品標簽為準) |
>U和<U跳閘延遲 | 0.1~30S |
重置/啟動延遲 | 1~500S |
電壓測量精度 | 2%(不超過總范圍的2%) |
額定絕緣電壓 | 400V |
輸出觸點 | 1NO |
電氣壽命 | 10? |
機械壽命 | 10? |
保護裝置 | IP20 |
海拔高度 | ≤2000m |
濕度 | ≤50%at40℃(無凝結) |
污染程度 | 3 |
工作溫度 | -50℃~55℃ |
儲存溫度 | -30℃~70℃ |
上一個:NP8-PS型過欠壓保護器
優惠券
我們的微信
13957717877
13957796089