產品介紹
咨詢服務熱線:13957717877
產品概述
資料下載
相關產品
相關資訊


為什么選擇CR系列金屬按鈕系列按鈕信號燈? |
在工業應用中,元器件的耐用性、安全性和響應速度至關重要。選擇本系列金屬按鈕 信號燈,意味著您選擇了一款能夠承受頻繁操作、抵抗外力沖擊并保持長期穩定運行的 產品。其金屬材質帶來的質感和可靠性,遠超普通塑料按鈕,能有效降低因元件損壞導 致的停機風險,提升整體設備的專業形象與運行效率。 |
CR系列金屬按鈕系列按鈕信號燈產品優勢: |
1、堅固耐用:頭部核心部件采用金屬材料制造,具備優異的抗沖擊、抗磨損能力,使用 壽命長。 |
2、穩定可靠:科學的內部結構設計,了觸發的精確性和信號指示的穩定性,大功率 設計滿足更廣泛的驅動需求。 |
3、安裝靈活:提供自復式(按下接通,松開斷開)和自鎖式(按下鎖定接通,再次按下 復位斷開)兩種動作方式,適應不同的控制邏輯需求。 |
4、環境適應性強:金屬表面處理工藝能有效抵御油污、腐蝕和輕微的物理破壞,適用于 多種復雜工況。 |
CR系列金屬按鈕系列按鈕信號燈產品特點: |
1、超薄設計與金屬頭部:產品采用超薄型設計,節省控制面板空間;頭部使用不銹鋼、 黃銅鍍鎳或鋁氧化等金屬材料,不僅強度高,更具備出色的質感與美觀度。 |
2、科學結構與強抗破壞性:結構設計科學合理,外形簡潔美觀,整體具備較強的抗破壞 性,能夠應對安裝和使用過程中的意外撞擊。 |
3、多樣的動作方式:提供自復式和自鎖式兩種類型,用戶可根據具體的控制需求靈活選 擇。 |
4、豐富的材質選擇:頭部可根據需要選用不銹鋼、黃銅鍍鎳或鋁氧化等材質,滿足不同 應用場景對防腐、導電性和外觀的要求。 |
CR系列金屬按鈕系列按鈕信號燈產品應用: |
該系列產品廣泛應用于對操作可靠性和環境適應性要求較高的領域,包括但不限于: |
1、工業自動化控制系統:如PLC控制柜、生產線啟停與狀態指示。 |
2、重型機械設備:如機床、注塑機、包裝設備的控制面板。 |
3、電力電氣與輸配電系統:配電箱、開關柜的合閘、分閘按鈕及信號指示燈。 |
4、軌道交通與船舶設備:需要高可靠性和抗震動的操控界面。 |

CR系列金屬按鈕系列按鈕信號燈型號說明: |
安裝 直徑 | 接線 方式 | 頭部 形狀 | 開關組合 | 頭部類型 | 發光類型 | 發光顏色 | 帶燈電壓 | 外殼材質 |
| φ6 φ8 φ10 φ12 φ16 φ19 φ22 φ25 φ28 φ30 | A插腳型 B接線柱 | P:平圓形 斜面外殼 G:高平圓形 斜面外殼 Q:球型斜面外 殼 | 1NO-10: (No為常開觸頭) 11: 為1NO1NC22:為2NO2NC | 無:自復 D:帶燈 EZ:帶燈自鎖 Z:自鎖 X2:兩位旋鈕 X3:三位旋鈕 Y2:兩位鑰匙鈕 Y3:三位鑰匙鈕 M:蘑菇鈕 ZS:緊急鈕 | D:單點 E:環形 DY:電源符號 | ![]() | (AV/DC,V) 6 12 24 220 | S:不銹鋼 N:黃銅鍍鎳 A:鋁氧化 |
CR系列金屬按鈕系列按鈕信號燈開關額定負載: |
項目 | 參數 | |||||
額定絕緣電壓Ui | AC250V | |||||
發熱電流Ith | 4A | |||||
額定電壓(V) | DC6V | DC12V | DC24V | DC36V | DC48V | AC220V |
額定電流(A) | 4 | 3 | 2.5 | 2 | 2 | 3 |
CR系列金屬按鈕系列按鈕信號燈開關結構說明: |
觸頭示意圖 |
|
單組由三只插腳組成,雙組由六只插腳組成,單點快動通斷觸頭 |
CR系列金屬按鈕系列按鈕信號燈LED燈珠參數: |
項目 | 參數 | |
燈珠類型 | 高亮度LED燈珠,冷色 | |
額定電壓 | AC/DC:6V,12V,24V,220V | |
額定電流 | ≤20mA | |
| 降壓方式 | 單色發光內置雙電阻降壓 | |
單色發光電路圖: (不分正負)
| o+是指雙色燈公共端,電源為正, R-是指雙色燈電源為負 G-是指雙色燈電源為負
注:在電流電壓下才可以使用, 電壓為60V 可訂制雙正雙色燈。 | |
參考壽命 | 40000小時(參考值) | |
CR系列金屬按鈕系列按鈕信號燈其他參數: |
項目 | 參數 |
開關型式 | 快動單觸點 |
接觸電阻 | ≤50mΩ |
絕緣電阻 | ≥1000MΩ |
絕緣強度 | 2000VAC |
環境溫度 | -25℃~+55℃ |
電器壽命 | 5萬次以上 |
機械壽命 | 50萬次以上 |
防水等級 | IP65 |
防爆等級 | lk10(針對金屬材質) |
操作壓力 | 2.5~4.5N |
操作行程 | 接通約2mm,總行程約3mm |
螺母扭矩 | 5~14N.m |
外殼 | 不銹鋼/黃銅鍍鎳/鋁合金氧化/塑料 |
按鍵 | 不銹鋼/黃銅鍍鎳/鋁合金氧化/塑料 |
基座 | 鋁氧化 |
觸點 | 銀合金 |
CR系列金屬按鈕系列按鈕信號燈內部IP防塵、防水結構: |
|
CR系列金屬按鈕系列按鈕信號燈外部O型密封圈安裝方法: |
|
CR系列金屬按鈕系列按鈕信號燈實樣激光刻穿發光效果圖: |
|

CR系列金屬按鈕系列按鈕信號燈產品選型: |
產品圖形 | 產品參數 | 外型尺寸圖 |
|
產品型號:CR12-10/J/A 安裝孔尺寸:φ12mm 開關組合:1NO 操作類型:自復式 外殼材料:不銹鋼/黃銅鍍鎳/鋁氧化 顏色: | |
| 產品型號:CR12-10Z/J 安裝孔尺寸:φ12mm 開關組合:1NO 操作類型:自復式、自鎖式 外殼材料:不銹鋼/黃銅鍍鎳 | ![]() |
| 產品型號:CR12-10E/J 安裝孔尺寸:φ12mm 開關組合:1NO 操作類型:自復式 外殼材料:不銹鋼/黃銅鍍鎳 顏色: | ![]() |
|
產品型號:CR12-10/J 安裝孔尺寸:φ12mm 開關組合:1NO 操作類型:自復式 外殼材料:不銹鋼/黃銅鍍鎳/鋁氧化 | ![]() |
| 產品型號:CR12Q-10 安裝孔尺寸:φ12mm 開關組合:1NO 操作類型:自復式 外殼材料:不銹鋼/黃銅鍍鎳 顏色: | ![]() |
|
產品型號:CR12-10EZ/J 安裝孔尺寸:φ12mm 開關組合:1NO 操作類型:自鎖式 外殼材料:不銹鋼/黃銅鍍鎳 | ![]() |
|
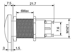
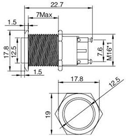
產品型號:CR16-11E/CR16-11EZ 安裝孔尺寸:φ16mm 開關組合:1NO 1NC 操作類型:自復式、自鎖式 外殼材料:不銹鋼/黃銅鍍鎳/鋁氧化 顏色: | ![]() |
![]() | 產品型號:CR16-11/CR16-11Z 安裝孔尺寸:φ16mm 開關組合:1NO 1NC 操作類型:自復式、自鎖式 外殼材料:不銹鋼/黃銅鍍鎳/鋁氧化 顏色: | ![]() |
![]() | 產品型號:CR16P-10E/J 安裝孔尺寸:φ16mm 開關組合:1NO(1常開) 操作類型:自復式 外殼材料:不銹鋼/黃銅鍍鎳/鋁氧化 顏色: | ![]() |
![]() | 產品型號:CR16-10 安裝孔尺寸:φ16mm 開關組合:1NO 操作類型:自復式 外殼材料:不銹鋼/黃銅鍍鎳/鋁氧化 |
|
| 產品型號:CR16-10A 安裝孔尺寸:φ16mm 開關組合:1NO 操作類型:自復式 外殼材料:不銹鋼/黃銅鍍鎳/鋁氧化 顏色: | ![]() |
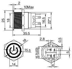
| 產品型號:CR16M-10 安裝孔尺寸:φ16mm 開關組合:1NO 操作類型:自復式 外殼材料:不銹鋼/黃銅鍍鎳/鋁氧化 顏色: | ![]() |
| 產品型號:CR16P-10EC 安裝孔尺寸:φ16mm 開關組合:1NO(1常開) 操作類型:自復式 外殼材料:不銹鋼/黃銅鍍鎳/鋁氧化 顏色: | ![]() |
|
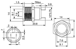
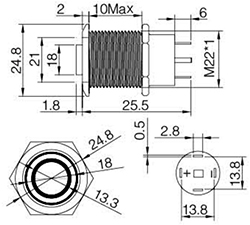
產品型號:CR19-11/CR19-11Z 安裝孔尺寸:φ19mm 開關組合:1NO 1NC 操作類型:自復式、自鎖式 外殼材料:不銹鋼/黃銅鍍鎳/鋁氧化 | ![]() |
|
產品型號:CR19-11E/CR19-11EZ 安裝孔尺寸:φ19mm 開關組合:1NO 1NC/2NO 2NC 操作類型:自復式、自鎖式 外殼材料:不銹鋼/黃銅鍍鎳/鋁氧化 顏色: | ![]() |
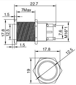
| 產品型號:CR19-10 安裝孔尺寸:φ19mm 開關組合:1NO 操作類型:自復式 外殼材料:不銹鋼/黃銅鍍鎳/鋁氧化 | ![]() |
|
產品型號:CR19P-10EC 安裝孔尺寸:φ19mm 開關組合:1NO(1常開) 操作類型:自復式 外殼材料:不銹鋼/黃銅鍍鎳/鋁氧化 顏色: | ![]() |
| 產品型號:CR19M-10 安裝孔尺寸:φ19mm 開關組合:1NO 操作類型:自復式 外殼材料:不銹鋼/黃銅鍍鎳/鋁氧化 顏色: | ![]() |
| 產品型號:CR19-10E/J 安裝孔尺寸:φ19mm 開關組合:1NO(1常開) 操作類型:自復式 外殼材料:不銹鋼/黃銅鍍鎳/鋁氧化 顏色: | ![]() |
| 產品型號:CR19-11EB/CR19-11EZB 安裝孔尺寸:φ19mm 開關組合:1NO 1NC 操作類型:自復式、自鎖式 外殼材料:不銹鋼/黃銅鍍鎳/鋁氧化 顏色: | ![]() |
|
產品型號:CRB22-11/E CRB22-11/EZ 安裝孔尺寸:φ22mm 開關組合:1NO 1NC/2NO 2NC 操作類型:自復式、自鎖式 外殼材料:不銹鋼/黃銅鍍鎳/鋁氧化 顏色: | ![]() |
| 產品型號:CR22-11E CR22□-11EZ 安裝孔尺寸:φ22mm 開關組合:1NO 1NC/2NO 2NC 操作類型:自復式、自鎖式 外殼材料:不銹鋼/黃銅鍍鎳/鋁氧化 顏色: | ![]() |
| 產品型號:CR22M-10 安裝孔尺寸:φ22mm 開關組合:1NO 操作類型:自復式 外殼材料:不銹鋼/黃銅鍍鎳/鋁氧化 顏色: | ![]() |
| 產品型號:CR22-10E/J 安裝孔尺寸:φ22mm 開關組合:1NO 操作類型:自復式 外殼材料:不銹鋼/黃銅鍍鎳/鋁氧化 顏色: | ![]() |
|
產品型號:CR22-10 安裝孔尺寸:φ22mm 開關組合:1NO 操作類型:自復式 外殼材料:不銹鋼/黃銅鍍鎳/鋁氧化 顏色: |
|
| 產品型號:CR22-11、CR22-11Z 安裝孔尺寸:φ22mm 開關組合:1NO/NC 2NO/NC 操作類型:自復式、自鎖式 外殼材料:不銹鋼/黃銅鍍鎳/鋁氧化 | ![]() |
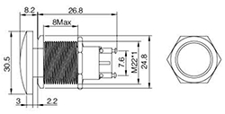
| 產品型號:CR25-11E、CR25-11EZ 安裝孔尺寸:φ25mm 開關組合:1NO 1NC 操作類型:自復式、自鎖式 外殼材料:不銹鋼/黃銅鍍鎳/鋁氧化 顏色: | ![]() |
| 產品型號:CR30-11E、CR30-11EZ 安裝孔尺寸:φ25mm 開關組合:1NO 1NC 操作類型:自復式、自鎖式 外殼材料:不銹鋼/黃銅鍍鎳/鋁氧化 顏色: | ![]() |
上一個:GR5-MK2PT系列通用繼電器
優惠券
我們的微信
13957717877
13957796089